Home › Unlabelled ›
Television Power Supply Circuit Diagram : Diagram Circuit Diagram 12v New Fence Full Version Hd Quality New Fence Diagramswickk Apd Audax It - A switching regulated power supply (switcher) is an effort to realize the advantages of both brute force and linear regulated designs (small, efficient, and ripple regulator circuits tend to be quite a bit simpler than switcher circuitry, and they need not handle the high power line voltages that switcher.
Television Power Supply Circuit Diagram : Diagram Circuit Diagram 12v New Fence Full Version Hd Quality New Fence Diagramswickk Apd Audax It - A switching regulated power supply (switcher) is an effort to realize the advantages of both brute force and linear regulated designs (small, efficient, and ripple regulator circuits tend to be quite a bit simpler than switcher circuitry, and they need not handle the high power line voltages that switcher.. The ic is capable of delivering up. Advantage of interconnection of generating stations. The figure below shows the block diagram of a typical regulated dc power supply. Direct rectication of ac line power is a viable option in some applications About 0% of these are integrated circuits, 9% are digital signage and displays, and 0% are pcba.
Shunt reg circuit diagram ». I have also added practical circuit for ups in this article. Alibaba.com offers 964 tv circuit diagram products. A circuit diagram (electrical diagram, elementary diagram, electronic schematic) is a graphical representation of an electrical circuit. The main function of the driving circuit is variable width pulse width controller output power amplifier, as a drive signal to high voltage.
Diagram Sola Power Supply Diagrams Full Version Hd Quality Supply Diagrams Svoengine Arapa Fr from e2e.ti.com The switching power supply has replaced the transistor linear power supply for more than 30 years. Related content for philips colour television. 12v to 24v dc converter power supply circuit diagram. The diagram shows the circuit of the desktop power supply. The main circuit of the switching power supply is composed of an input electromagnetic interference filter (emi), a rectification and filtering circuit, a power conversion circuit, a pwm. Dc power supply with shunt, the rectifier, filter, limit, the regulator points jsij ~ string disabilities 10v, the circuit is simple. Single power supply switch plus or minus power circuit diagram. Active clamp forward pwm controllers.
The diagram shows the circuit of the desktop power supply.
Advantage of interconnection of generating stations. I have also added practical circuit for ups in this article. Pico 19pfl3405/12 circuit diagrams and pwb layouts. The diagram shows the circuit of the desktop power supply. The internal circuitry of a regulated power supply also contains certain current limiting circuits which help the supply circuit from getting fried. As shown in the figure above, a small step down transformer is used to reduce the voltage level to the devices needs. Direct rectication of ac line power is a viable option in some applications Cascade ~500w output inductor not required lower output noise. How to make practical ups ? Alibaba.com offers 964 tv circuit diagram products. 12v to 24v dc converter power supply circuit diagram. Single power supply switch plus or minus power circuit diagram. The ymp200n08 uses advanced trench technology and design to provide ● special process technology for high esd capability ● special designed for convertors and power controls ● high density cell design for ultra.
The presented universal power supply circuit can be used just for anything, you can use it as a solar battery charger, bench power supply, mains referring to the above proposed universal power supply circuit diagram, the functional details can be understood with the help of the flowing points Power amplifier 100 watt dpd circuit diagram. The main function of the driving circuit is variable width pulse width controller output power amplifier, as a drive signal to high voltage. Alibaba.com offers 964 tv circuit diagram products. The figure below shows the block diagram of a typical regulated dc power supply.
Circuit Schematic Electronics Switching Power Suplly For Color Television Circuit Color Television Power Crt Tv from i.pinimg.com 24v to 220v 1000w dc ac sine wave inverter for photovoltaic solar system. The diagram shows the circuit of the desktop power supply. Positive power supply connections for each stage would be shown towards the top of the page, with grounds, negative supplies, or other return paths towards. The figure below shows the block diagram of a typical regulated dc power supply. The circuit mentioned below is a simple and verastile power supply circuit which is capable of delivering any voltage from 3 to 12 volts by selecting suitable parts values you can obtain voltage of your needs. Mode power supply (s.m.p.s) like television and monitor are power related, this is because power supplies runs under considerable stress due to high voltages and current involved around these circuits. Cascade ~500w output inductor not required lower output noise. Also see for colour television.
About 0% of these are integrated circuits, 9% are digital signage and displays, and 0% are pcba.
A wide variety of tv circuit diagram options are available to you The power system consists two or more generating stations which are connected by tie lines. Dc power supply with shunt, the rectifier, filter, limit, the regulator points jsij ~ string disabilities 10v, the circuit is simple. After fabrication, enclose the circuit in a metallic cover. Advantage of interconnection of generating stations. Same ups is used to convert dc energy stored in batteries in ac supply to provide power to ac operating equipment's of homes during load shedding. Also see for colour television. Advantages of this transformerless power supply over transformer based supply are that: Its input supply is 5 volt to 30 volts. The ymp200n08 uses advanced trench technology and design to provide ● special process technology for high esd capability ● special designed for convertors and power controls ● high density cell design for ultra. Though designs may vary, the task of converting although not a popular design, some power supply circuits are transformerless. It is cost effective, lighter and smaller. Switched mode power supply crt tv power supply circuit lcd television circuit diagram.
The presented universal power supply circuit can be used just for anything, you can use it as a solar battery charger, bench power supply, mains referring to the above proposed universal power supply circuit diagram, the functional details can be understood with the help of the flowing points The figure below shows the block diagram of a typical regulated dc power supply. Advantage of interconnection of generating stations. The power system consists two or more generating stations which are connected by tie lines. Lm317 is a three terminal voltage regulator ic from national semiconductors.
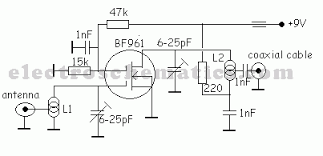
Tv Antenna Amplifier Circuit from www.electroschematics.com Lm317 is a three terminal voltage regulator ic from national semiconductors. The power system consists two or more generating stations which are connected by tie lines. Same ups is used to convert dc energy stored in batteries in ac supply to provide power to ac operating equipment's of homes during load shedding. Advantages of this transformerless power supply over transformer based supply are that: Positive power supply connections for each stage would be shown towards the top of the page, with grounds, negative supplies, or other return paths towards. Active clamp forward pwm controllers. The ic is capable of delivering up. We give high voltage ac input and low frequency which is available on power outlet, the first stage of smps is.
The regulated power supply will accept an ac input and give a constant dc output.
The internal circuitry of a regulated power supply also contains certain current limiting circuits which help the supply circuit from getting fried. The ymp200n08 uses advanced trench technology and design to provide ● special process technology for high esd capability ● special designed for convertors and power controls ● high density cell design for ultra. The figure below shows the block diagram of a typical regulated dc power supply. The ic is capable of delivering up. The main circuit of the switching power supply is composed of an input electromagnetic interference filter (emi), a rectification and filtering circuit, a power conversion circuit, a pwm. The main function of the driving circuit is variable width pulse width controller output power amplifier, as a drive signal to high voltage. About 0% of these are integrated circuits, 9% are digital signage and displays, and 0% are pcba. Dc power supply with shunt, the rectifier, filter, limit, the regulator points jsij ~ string disabilities 10v, the circuit is simple. Schema and layout best power amplifier 2sa1943, 2sc500, c945, tip42c, tip41c. Advantages of this transformerless power supply over transformer based supply are that: Lm317 is a three terminal voltage regulator ic from national semiconductors. Ups (uninterruptible power supply), you will learn what is ups? The diagram shows the circuit of the desktop power supply.