2004 Dodge Ram Fuse Box / 2004 2005 Dodge Ram 2500 Cummings Totally Integrated Power Fuse Box P05026036ac Ebay - 3 — f93 fuse 20 a yellow cigar lighter instrument panel.. Headlight fuse or relay does not show up in fusebox under hood next to the battery. Brake and abs light comes on and off code says low brake fluid level but brake fluid level is the fuse box creates a link between the car battery and electrical components, eg. The information in it pertains to which fuse corresponds to which part of the vehicle, which is useful when troubleshooting problems. This category covers 2002, 2003, 2004, 2005, 2006, 2007, 2008 dodge ram 1500 troubleshooting models. 3 — f93 fuse 20 a yellow cigar lighter instrument panel.

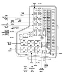
Fuse box diagram (location and assignment of electrical fuses and relay) for dodge ram / ram pickup 1500/2500 (2002, 2003, 2004, 2005). This category covers 2002, 2003, 2004, 2005, 2006, 2007, 2008 dodge ram 1500 troubleshooting models. Fuse box diagram (location and assignment of electrical fuses) for dodge ram / ram pickup 1500/2500 (2002, 2003, 2004, 2005, 2006, 2007, 2008 this center contains cartridge fuses and mini fuses. I am looking for the inside fuse box. Looking for a used ram 2500 in your area?

04 05 Dodge Ram 1500 5 7l Fuse Box Integrated Power Module P56051039ad Usedpartsrus
04 05 Dodge Ram 1500 5 7l Fuse Box Integrated Power Module P56051039ad Usedpartsrus from cdn.shopify.com
Fuse box diagram (location and assignment of electrical fuses and relay) for dodge ram / ram pickup 1500/2500 (2002, 2003, 2004, 2005). Headlight out on 2004 dodge ram 5.6 hemi 20 answers. Fuse box in engine compartment. When you pull the lid up on the tipm (under hood fuse box) it's on the bottom side of the lid. The radio fuse for a 2004 dodge durango is in the main fuse box. There is a small removable access door under the headlight switch but that is the shift lock mechanism for towing to get the vehicle in neutral etc. An integrated power module is located in the engine compartment near the battery. 3 — f93 fuse 20 a yellow cigar lighter instrument panel.

Fuse box diagram (location and assignment of electrical fuses) for dodge ram / ram pickup 1500/2500 (2002, 2003, 2004, 2005, 2006, 2007, 2008 this center contains cartridge fuses and mini fuses.

Brake and abs light comes on and off code says low brake fluid level but brake fluid level is the fuse box creates a link between the car battery and electrical components, eg. If i'm traveling over 60 mph, the cruise lamp will not even. Once i go above 60, if the cruise is set, it shuts off. Note in fuse box says refer to owners manual. Find great deals on ebay for fuse box 2004 dodge ram. Start a new dodge ram 2500 question. I have a 2004 dodge ram 5.7l the cruise control works fine below 60mph. If you don't see it let us know. The radio fuse for a 2004 dodge durango is in the main fuse box. 3 — f93 fuse 20 a yellow cigar lighter instrument panel. Hit the nail on the head. Headlight fuse or relay does not show up in fusebox under hood next to the battery. Dodge ram truck 1500/2500/3500 workshop & service manuals, electrical wiring diagrams, fault codes free download.

Once i go above 60, if the cruise is set, it shuts off. 3 — f93 fuse 20 a yellow cigar lighter instrument panel. Fuse box in engine compartment. If you need to replace a blown fuse in your ram 1500, make sure you replace it with one that has the same amperage as the blown fuse. When you pull the lid up on the tipm (under hood fuse box) it's on the bottom side of the lid.

Fuse Box Location And Diagrams Dodge Ram 1500 2500 2002 2005 Youtube
Fuse Box Location And Diagrams Dodge Ram 1500 2500 2002 2005 Youtube from i.ytimg.com
An integrated power module is located in the engine compartment near the battery. This 2004.5 dodge ram 2500 built by adam t. Find dodge ram fuse box in canada | visit kijiji classifieds to buy, sell, or trade almost anything! Once i go above 60, if the cruise is set, it shuts off. The 20 amp fuse in the stop light circuit keeps blowing. Find great deals on ebay for fuse box 2004 dodge ram. Not only are there occasional issues regarding the fuse box itself, but dodge ram owners sometimes cannot find the fuse box diagram to determine where to look for the faulty. Fuse box diagram (location and assignment of electrical fuses) for dodge ram / ram pickup 1500/2500 (2002, 2003, 2004, 2005, 2006, 2007, 2008 this center contains cartridge fuses and mini fuses.

4.2 out of 5 stars 71.

I am looking for the inside fuse box. This 2004.5 dodge ram 2500 built by adam t. Find great deals on ebay for fuse box 2004 dodge ram. New and used items, cars, real estate, jobs, services, vacation rentals and more virtually anywhere in ontario. Is there another fusebox somewhere in the cab? There is a small removable access door under the headlight switch but that is the shift lock mechanism for towing to get the vehicle in neutral etc. Fuse box in engine compartment. Once i go above 60, if the cruise is set, it shuts off. Dodge ram 1500 fuse box gone bad. 3 — f93 fuse 20 a yellow cigar lighter instrument panel. Integrated power module the totally integrated power module (tipm) is located in the engine compartment near the battery. The 20 amp fuse in the stop light circuit keeps blowing. Start a new dodge ram 2500 question.

When you pull the lid up on the tipm (under hood fuse box) it's on the bottom side of the lid. Brake and abs light comes on and off code says low brake fluid level but brake fluid level is the fuse box creates a link between the car battery and electrical components, eg. Start a new dodge ram 2500 question. I am looking for the inside fuse box. If i'm traveling over 60 mph, the cruise lamp will not even.

Dodge Fuse Box Connector C2 Wiring Diagram Deep Crawl A Deep Crawl A Cfcarsnoleggio It
Dodge Fuse Box Connector C2 Wiring Diagram Deep Crawl A Deep Crawl A Cfcarsnoleggio It from static-cdn.imageservice.cloud
1998 dodge ram 2500 slt, cummins 24 valve, 75,000 miles. The fuse box helps provide reliable power at the proper amperage to various electrical components on your dodge ram. Fuse box diagram (location and assignment of electrical fuses and relay) for dodge ram / ram pickup 1500/2500 (2002, 2003, 2004, 2005). Yes, i did read the owners manual. See more on our website: Start a new dodge ram 2500 question. A description of each fuse and component may be stamped on the inside cover otherwise the. An integrated power module is located in the engine compartment near the battery.

Is there another fusebox somewhere in the cab?

I have a 2004 dodge ram 5.7l the cruise control works fine below 60mph. Need to replace bad fuse (maybe). There is a small removable access door under the headlight switch but that is the shift lock mechanism for towing to get the vehicle in neutral etc. The radio fuse for a 2004 dodge durango is in the main fuse box. Fuse box diagram (location and assignment of electrical fuses) for dodge ram / ram pickup 1500/2500 (2002, 2003, 2004, 2005, 2006, 2007, 2008 this center contains cartridge fuses and mini fuses. 3 — f93 fuse 20 a yellow cigar lighter instrument panel. Note in fuse box says refer to owners manual. An integrated power module is located in the engine compartment near the battery. Headlight out on 2004 dodge ram 5.6 hemi 20 answers. The 20 amp fuse in the stop light circuit keeps blowing. Generally speaking, a 2004 dodge ram 1500 fuse box diagram can be found inside the fusebox. Looking for a used ram 2500 in your area? Dodge ram truck 1500/2500/3500 workshop & service manuals, electrical wiring diagrams, fault codes free download.

By